产品类型: 民用电化学气体传感器
产品型号: GM4
声明: hth官网入口传感保留更改产品设计、规格、参数的权利及资料信息的最终 解释权。欲了解更多关于hth官网入口产品的信息,请致电hth官网入口公司,索取更多详 细的技术资料。

GM4电化学一氧化碳气体传感器是燃料
电池型传感器,一氧化碳和氧气在工作电极和
对电极上发生相应的氧化还原反应并释放电荷
形成电流,产生的电流大小与一氧化碳浓度成
正比,通过测定电流的大小即可判定一氧化碳
的浓度。
GM4电化学一氧化碳传感器特点:
1. 对一氧化碳有高灵敏度与高选择性
2. 对一氧化碳响应极快
3. 线性输出
4. 长寿命
5. 环保结构设计
6. 独特的防泄漏结构
GM4电化学一氧化碳传感器应用:
● 家用、商用一氧化碳监测
● 工业应用一氧化碳监测
● 室内停车场一氧化碳监测
● 游艇、房车等一氧化碳监测
● 发电机一氧化碳监测
● 智能家居一氧化碳监测
项目 | 参数 |
对象气体 | 一氧化碳 |
检测范围 | 0~1000ppm |
极限过载 | 2000ppm |
输出信号 | 1.4~3nA/ppm |
重复性 | ±2% |
分辨率 | 0.5ppm |
典型响应时间(t90) | <60秒 |
长期输出飘移 | <2%月 |
预期寿命 | 7年 |
工作温度 | -20~50℃ |
工作湿度 | 15~90%RH |
工作压力范围 | 0.1MPa±10% |
建议的负载电阻 | 1KΩ |
偏置电压 | 无要求 |
(*)性能参数前提条件:20? C,50%RH,1013hPa。
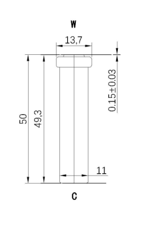
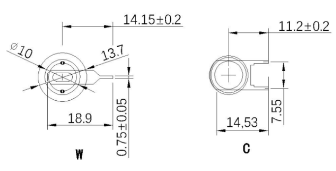
3. 结构尺寸图


单位:mm,尺寸公差±
4. 产品特性
4.1 灵敏度特性
GM4(25°C)典型特性(线性输出)如下图

4.2 温度依赖特性
GM4的典型特性(温度依赖)如下图

4.3 稳定性特性

4.4 交叉敏感特性数据
传感器对各种干扰气体的典型响应/(25?C)的交叉敏感特性
气体 | 浓度(ppm) | 一氧化碳当量浓度(ppm) |
乙醇 | 10 | 0 |
硫化氢 | 100 | 0 |
乙烯 | 100 | 80 |
氢气 | 500 | 40 |
环氧乙烷 | 10 | 0 |
二氧化氮 | 10 | 0 |
氨 | 20 | 0 |
氯气 | 10 | 1 |
1.安装时可焊接引线,禁止焊锡接触传感器;
2.通电老化时间不少于 30min;
3.避免长期接触有机挥发性溶剂;
4.使用或储存环境不可为酸碱环境。