产品类型: 片式半导体
产品型号: GK2
声明: hth官网入口传感保留更改产品设计、规格、参数的权利及资料信息的最终 解释权。欲了解更多关于hth官网入口产品的信息,请致电hth官网入口公司,索取更多详 细的技术资料。
产品概述:
GK2 型一氧化碳检测用平面半导体气敏元件采用先进的平面厚膜生产 工艺,由加热器以及微型 Al2O3陶瓷基片上形成的金属氧化物半导体材料构 成,用电极引线引出,封装在金属管座、管帽内。采用高低温循环检测方式检 测一氧化碳(1.5V),高温(5.0V)时清洗低温时吸附的杂质气体。传感器 的电导率随空气中一氧化碳气体浓度增加而增大,使用简单的电路即可将电 导率的变化转换为与该气体浓度相对应的输出信号。
特点:
? 低功耗
? 寿命长
? 成本低
? 体积小
? 应用电路简单
主要应用:
? 家用一氧化碳泄漏检测
? 工业一氧化碳报警器
? 便携式一氧化碳检测
规格:

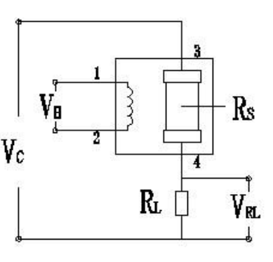
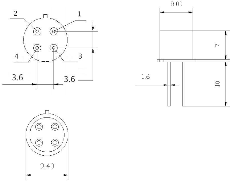
管脚定义:
平面型器件结构如图 所示。在陶瓷片上稳固加热丝,两端 连接金电极引线,并在两电极之间涂覆半导体敏感材料。加热 材料可以将整个陶瓷片加热至 200-400℃,使传感器达到所需 的工作温度。管芯外侧的对电极则能实时地测量材料的电特性 变化情况。传感器的焊接引线对应图如图 所示,引线座上有一 突出记号点,紧邻该标志的 1、2 引线脚为加热丝引脚,3、4 引脚为传感器信号引脚。

基本电路:
传感器 1、2 管脚连接加热电路,3、4 管 脚连接测量电路;在满足传感器电性能要求的 前提下,加热和测量可共用同一个电源电路。 注:请注意传感器上的突出标志,紧邻该标志的 两只管脚为加热电极。

结构图:

1 必须避免的情况
1.1 暴露于有机硅蒸气中 如果传感器的表面吸附了有机硅蒸气,传感器的敏感材料会被包裹住,抑制传感器的敏 感性,并且不可恢复。传感器要避免暴露其在硅粘接剂、发胶、硅橡胶、腻子或其它含硅塑 料添加剂可能存在 的地方。
1.2 高腐蚀性的环境 传感器暴露在高浓度的腐蚀性气体(如 H2S,SOX,Cl2,HCl 等)中,不仅会引起加热材 料及传感器引线的腐蚀或破坏,并会引起敏感材料性能发生不可逆的改变。
1.3 碱、碱金属盐、卤素的污染 传感器被碱金属尤其是盐水喷雾污染后,及暴露在卤素如氟中也会引起性能劣变。
1.4 接触到水 溅上水或浸到水中会造成敏感特性下降。
1.5 结冰 水在敏感元件表面结冰会导致敏感材料碎裂而丧失敏感特性。
1.6 施加电压过高 如果给敏感元件或加热器施加的电压高于规定值,即使传感器没有受到物理损坏或破 坏,也会造成引线和/或加热器损坏,并引起传感器敏感特性下降。
2 尽可能避免的情况
2.1 凝结水 在室内使用条件下,轻微凝结水会对传感器性能会产生轻微影响。但是,如果水凝结在 敏感元件表面并保持一段时间,传感器特性则会下降。
2.2 处于高浓度气体中 无论传感器是否通电,在高浓度气体中长期放置,都会影响传感器特性。
2.3 长期贮存 传感器在不通电情况下长时间贮存,其电阻会产生可逆性漂移,这种漂移与贮存环境有 关。传感器应贮存在有清洁空气不含硅胶的密封袋中。经长期贮存的传感器,在使用前需要 长时间通电以使其达到稳定。
2.4 长期暴露在极端环境中 6河南森斯科传感技术有限公司 7 无论传感器是否通电,长时间暴露在极端条件下,如高湿、高温、或高污染等极端条件, 传感器性能将受到严重影响。
2.5 振动 频繁、过度振动会导致敏感元件引线产生共振而断裂。在运输途中及组装线上使用气动 改锥/超 声波焊接机会产生这种振动。
2.6 冲击 如果传感器受到强烈冲击会导致其引线断线。
2.7 使用 对传感器来说手工焊接是最理想的焊接方式。使用波峰焊是应满足以下条件:
2.7.1 助焊剂:含氯最少的松香助焊剂
2.7.2 速度:1-2 米/分钟
2.7.3 预热温度:100±20℃
2.7.4 焊接温度:250±10℃ 2.7.5 1 次通过波峰焊机 违反以上使用条件将使传感器特性下降!