hth官网入口-hth(中国)

产品与应用

以力学起步融合多物理技术发展多品种传感器
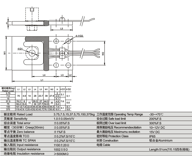
PB(B)

PB(B)

产品类型: 应变式传感器

产品型号: PB(B)

声明: hth官网入口传感保留更改产品设计、规格、参数的权利及资料信息的最终 解释权。欲了解更多关于hth官网入口产品的信息,请致电hth官网入口公司,索取更多详 细的技术资料。

产品详细信息